欢迎光临上海荣耀实业有限公司! 固话:
021-31006198
热线:
13916607858
手机
|
地图
|
RSS
网站首页
关于我们
公司简介
组织架构
企业文化
核心竞争力
核心价值观
总经理致辞
企业精神
产品展示
骨架油封
骨架油封
骨架油封品牌
硅胶骨架油封
氟胶骨架油封
金属骨架油封 TB外铁壳
J型 U型无骨架油封
油封 品牌油封 耐压骨架油封
氟橡胶骨架油封 耐高温骨架油封
NOK骨架/NAK/SOG/TTO油封
不锈钢油封
O型圈
O型圈
硅胶O型圈
氟胶O型圈
O型圈材质
O型密封圈规格尺寸
耐高温/耐高压耐腐蚀/耐磨损O形圈
O型圈修理盒
四氟包覆O型圈
耐油o型密封圈 耐高温规格
金属O型圈 耐压O金属O型圈
气动气缸密封件
油缸 液压 活塞密封件
活塞和活塞杆 密封件
油缸 液压密封件
星型圈
导向带/耐磨环
垫片
垫片 盘根 密封条
四氟内环金属缠绕垫片
标准金属缠绕垫片
齿形垫片 带固定外环齿形垫片
石棉垫片 耐高温垫片
盘根
密封条
新闻中心
公司新闻
行业新闻
最新公告
资料下载
在线留言
联系我们
硅胶O型圈
丁腈O型圈
金属骨架油封
液压密封件
密封圈厂家
TC骨架油封
耐高压高温油封
氟胶O型圈
SC骨架油封
机械密封件
水封
公司新闻
行业新闻
最新公告
您的位置:
首页
>
新闻资讯
> 全部新闻
全部新闻
密封件储存指导
发布日期:2020-06-26
密封通常作为备件,要存放较长时间。在受到诸如:扭曲、氧气、臭氧、光照、热源、潮湿、油品或溶剂等的影响下,O型圈可能会因其物理化学性质的改变而失效。在DIN7716、ISO2230、DIN9088等标准中对橡胶密封件的尺寸、清洁、维护做了基本的规定。根据材料的类别,这些标准给出了存放条件的规定以及存放周期的推荐值。 为保持弹性体的理化性能,请遵循以下储存规则,这些原则的目的是为了...
更多
格来圈/斯特封(图纸-尺寸)
发布日期:2020-06-26
轴用格来圈 Pull Rod Diameter 拉杆直径ФDf8 Groove Inner Diameter 沟槽外径 Groove Width 沟槽宽度 Diametral clearance......
更多
聚氨酯油封结构图纸及规格尺寸表
发布日期:2020-06-26
聚氨酯油封结构图 聚氨酯油封规格尺寸表(UN系列) Φd ΦD h Φd ......
更多
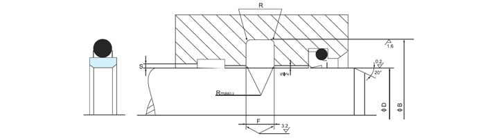
骨架油封尺寸图纸、尺寸标示及公差标准
发布日期:2020-06-26
金属外壳之油封一般均作表面研磨以达密封之效果。橡胶外壳油封尤其使用在铝、铜及陶瓷等较脆弱之配套孔其效果更佳。 备注:1、SB/TB/VB型之油封依据客人之订单生产。 2、TC油封(NBR70)有现货供应。 骨...
更多
PTFE档圈(图纸-尺寸)
发布日期:2020-06-26
STANDARD NO:MS-27595 DASHNO. ID T W DA......
更多
1
...
63
64
65
66
67
68
69
70
...
76
QQ咨询
服务热线
021-31006198
在线留言
微信扫一扫
返回顶部