气动密封件材质物性表 Table of Pneumatic Seal Materials
|
Material材质
item项目
|
Standard material标准材质
|
||||
|
|
NBR
|
NBR
|
NBR
|
NBR
|
|
|
Normality 常态
|
JIS Hs硬度(JIS Hs)
|
75±5
|
80±5
|
85±5
|
90±5
|
|
Min tensile strength kg/cm²抗拉强度(kg/cm²)最小
|
160
|
165
|
165
|
170
|
|
|
Min elongation 延伸率(%)最小
|
250
|
200
|
200
|
150
|
|
|
Compressive deformation test 压缩变形测试
|
Temperature time Hrs. 温度(℃)时间(Hrs.)
|
100℃/70
|
100℃/70
|
100℃/70
|
100℃/70
|
|
Max deflection 最大变形量(%)
|
20
|
20
|
20
|
25
|
|
|
Material feature材质特性
|
Available for oil, without and dry air
适用于给油、无给油以及干燥空气的情况下
|
||||
气动液压元件部分
|
Application
用途
|
NO. 编号
|
Form形状
|
Material 材质
|
Application range 适用范围
|
||
|
Temperature 温度
|
Pressure 压力
|
Speed 速度
|
||||
|
For piston
活塞用
|
APA
|
![]() |
NBR
|
-35~120
|
10
|
1.0
|
|
APP
|
![]() |
NBR
|
-20~80
|
10
|
1.0
|
|
|
PPY
|
![]() |
NBR
|
-20~80
|
10
|
1.0
|
|
|
For inching
缓动用
|
AEI
|
![]() |
NBR
|
-30~120
|
16
|
1.0
|
|
For axle
轴用
|
PDU
|
![]() |
NBR
|
-20~80
|
10
|
1.0
|
|
PRY
|
![]() |
NBR
|
-20~80
|
10
|
1.0
|
|
|
For dust removing
除尘用
|
SDR
|
![]() |
NBR
|
-25~100
|
-
|
1.0
|

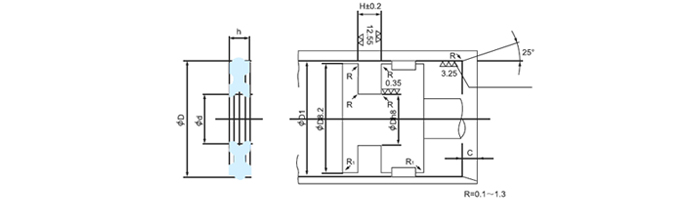
APA尺寸表 APA Size Table
| D |
d |
h |
D |
d |
D1 |
H |
C |
|
10 |
5.4 |
1.7 |
10 |
5.4 |
9.7 |
1.8 |
1 |
|
12 |
7.4 |
1.7 |
12 |
7.4 |
11.7 |
1.8 |
1 |
|
15 |
10.4 |
1.7 |
15 |
10.4 |
14.7 |
1.8 |
1 |
|
16 |
11.4 |
1.7 |
16 |
11.4 |
15.7 |
1.8 |
1 |
|
20 |
14 |
2.2 |
20 |
14 |
19.5 |
2.4 |
1.5 |
|
25 |
17 |
3 |
25 |
17 |
24.5 |
3.2 |
2 |
|
30 |
22 |
3 |
30 |
22 |
29.5 |
3.2 |
2 |
|
32 |
24 |
3 |
32 |
24 |
31.5 |
3.2 |
2 |
|
38 |
30 |
3 |
38 |
30 |
37.5 |
3.2 |
2 |
|
40 |
32 |
3 |
40 |
32 |
39.5 |
3.2 |
2 |
|
44 |
36 |
3 |
44 |
36 |
43.5 |
3.2 |
2 |
|
50 |
40 |
3.8 |
50 |
40 |
49.5 |
4 |
2.5 |
|
56 |
46 |
3.8 |
56 |
46 |
55.5 |
4 |
2.5 |
|
60 |
50 |
3.8 |
60 |
50 |
59.5 |
4 |
2.5 |
|
63 |
53 |
3.8 |
63 |
53 |
62.4 |
4 |
2.5 |
|
70 |
55 |
5.7 |
70 |
55 |
69.4 |
6 |
3 |
|
75 |
60 |
5.7 |
75 |
60 |
74.4 |
6 |
3 |
|
80 |
65 |
5.7 |
80 |
65 |
79.4 |
6 |
3 |
|
85 |
70 |
5.7 |
85 |
70 |
84.4 |
6 |
3 |
|
90 |
75 |
5.7 |
90 |
75 |
89.4 |
6 |
3 |
|
95 |
80 |
5.7 |
95 |
80 |
94.4 |
6 |
3 |
|
100 |
85 |
5.7 |
100 |
85 |
99.4 |
6 |
3 |
|
110 |
95 |
5.7 |
1410 |
95 |
109.3 |
6 |
3 |
|
115 |
100 |
5.7 |
115 |
100 |
114.3 |
6 |
3 |
|
120 |
105 |
5.7 |
120 |
105 |
119.3 |
6 |
3.5 |
|
125 |
110 |
5.7 |
125 |
110 |
124.3 |
6 |
3.5 |
|
130 |
115 |
5.7 |
130 |
115 |
129.3 |
6 |
3.5 |
|
140 |
125 |
5.7 |
140 |
125 |
139.3 |
6 |
3.5 |
|
150 |
135 |
5.7 |
150 |
135 |
149.3 |
6 |
3.5 |
|
160 |
140 |
7.7 |
160 |
140 |
159.3 |
8 |
5 |
|
175 |
155 |
7.7 |
175 |
155 |
174.3 |
8 |
5 |
|
180 |
160 |
7.7 |
180 |
160 |
179.3 |
8 |
5 |
|
200 |
180 |
7.7 |
200 |
180 |
199 |
8 |
5 |
|
250 |
230 |
7.7 |
250 |
230 |
249 |
8 |
5 |
|
300 |
280 |
7.7 |
300 |
280 |
299 |
8 |
5 |







